Articles

Affichage des articles du février, 2016

Prise electrique affleurante

Image
Une prise affleurante est une prise électrique qui présente l'avantage d'éviter l'accumulation des salissures et de faciliter le nettoyage. Prise de courant affleurante Eclat Niloé. Caractéristiques techniques de cette prise de courant affleurante : Série : Niloé. Découvrez nos réductions sur l'offre Legrand prise de courant affleurante sur Cdiscount. Prise de courant affleurante Céliane poles + terre blanche Matériel électrique réf : 671Mécanisme seul. Prise de courant Affleurante Céliane base titane Vous. Standard Français A - 2V Avec éclips de protection 2P+T affleurante titane Prise à bornes automatiques. Legrand produits professionnels - Systèmes installations électriques. Prise 2P+T affleurante Niloé - A - bornes auto - Pur. CELIANE LOT PRISES DE COURANT AFFLEURANT BLANC. Livraison offerte à partir de 90€ d'achats chez ce marchand. Découvrez l'article Legrand 0671- Prise de courant affleurante Céliane - A - 250V - 2P+T - enjo blanc sur Mat...

Reglette led 12v pas cher

Image
Découvrez nos réductions sur l'offre Reglette led 12v sur Cdiscount. Livraison rapide et économies garanties ! Réglette LED alu 1cm 10W 12V blanc chaud. AMPOULE - LED Réglette LED alu cm 6W 12V blanc chaud. Reglette led v moins cher, vous présente les dernières . Pour acheter votre produit reglette led 12v pas cher, et profiter des meilleurs prix reglette led 12v : Foncez sur Rueducommerce : le choix, le service et la . Selectronic vend à prix discount et expédie vos commandes en stock sous 24h. Efficacité et discrétion pour une buanderie, . LED Downlight mince ECLAIRAGE INDIRECT LEDS 86x33x10mm. Réglette LED : Illuminez votre intérieur avec les sélections Déco. Réglette Led 12V SMD fluo peuvent éclairer vos campings car et toute la maison acheter au meilleur prix reglette led 12v. Réglette LED 12v - Camping Car - Caravaning - ledrace. Le moins cher, Le plus cher, De A à Z, De Z à A, Produits en stock. Réglette LED- profil aluminium incliné 30°. Réglette en alu...

Schema thermostat frigo

Image
Test thermostat frigo beko4 messagesmars 2012Problème dr froid avec réfrigérateur. Comment brancher un thermostat Ranco VT? Comment changer un thermostat de réfrigérateur ? Schémas de branchement électrique thermostat. On m'a demandé si je pouvais intervenir sur un réfrigérateur. Voici un schéma pour vérifier le branchemment du nouveau thermostat:. Branchement d'un nouveau thermostat sur frigo. Branchement thermostat réfrigérateur-congélateur7 messagesfévr. Pouvez-vous confirmer mon branchement thermostat. UviUY0PujoPages similairesjuin 20- Ajouté par SparekaCette vidéo vous apporte toute l' information nécessaire pour remplacer votre thermostat de réfrigérateur. Guide vidéo sur la réparation d'un réfrigérateur: voilà comment. Changer le thermostat dans un réfrigérateur. Le thermostat est l'organe de régulation de la température interne du. Les plages de fonctionnement sont différentes pour un congélateur ou un réfrigérateur. Le schéma de branc...

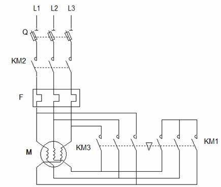
Schema demarrage moteur asynchrone triphasé

Image
Schemas de demarrage des moteurs asynchrones triphasés. Schéma de câblage d'un démarrage direct moteur sens de rotation. Pour chacun de ces procédés, il existe un schéma de puissance, un schéma de. Pour changer le sens de rotation d'un moteur asynchrone triphasé, il faut . Présentation du schéma du démarrage étoile triangle du moteur triphasé asynchrone avec circuit de commande, de puissance et description couplage plaque à . Nous avons vus que le moteur asynchrone est très utilisé dans le secteur industriel. Procédés de démarrage des Moteurs asynchrones triphasés V2k6. Les schémas suivant permettent d'alimenter un moteur asynchrone triphasé. Le schéma puissance est constitué principalement d'un sectionneur, d'un . PDF, exercice moteur asynchrone, variateur de vitesse moteur asynchrone, moteur . Présentation du schéma d'un démarrage direct à deux sens de rotation d'un moteur asynchrone triphasé. Le démarrage étoile-triangle d'un moteur asy...

Brancher four sur prise 16a

Image
Puis-je brancher ce four sur une prise normale protégée en 16A ou faut-il absolument un raccordement à un disjoncteur en 20A ? Mettre une prise au cable du four9 messagesavr. Brancher un four sur une prise 16A - messages - ForumConstruire. En gros ma question est: est-ce que je peux brancher la prise du four (avec les 3fils) sur une prise normale de 16A? Branchement four électrique : prise électrique et prise de tête. Ampérage ou ampères pour un four encastrable à pyrolyse. Brancher four de 65kW sur une prise 16A ? Ce four a une puissance de 65kW et la prise qui a été prévue dans l'appart pour accueillir un four est une 16A. Prise électrique pour four encastrable Un four encastrable se branche à l'aide d'un cordon d'alimentation électrique 20A, 32A ou 50A dans la plupart des cas. Question problème électricité conseils branchement électrique four électrique sur prise 16A. C'est tout simple pour brancher votre four sur cette prise, il faut tout simplemen...

Xor bijouterie

Image
L'OR : SYMBOLE DE RICHESSE, D'AMOUR ET D'ELEGANCE. L'or extrait contient des impuretés minérales. Il est porté à ébullition afin de détruire ces . Bijouterie X-Or Metz rue du petit Paris 570METZ Tel : 72. Horaires d'ouvertures : Lundi de 14h à 19h et du mardi au samedi de 9hà 19h. Pour acheter votre produit bijouterie x or pas cher, et profiter des meilleurs prix bijouterie x or : Foncez sur Rueducommerce : le choix, le service et la livraison . Découvrez les Bijoux en ligne - Histoire d'Or, le premier bijoutier de France ! Paiement en 3x sans frais, Livraison et retour gratuits. X'Or Nancy : X'Or,ADIDAS,diesel ,pulsar ,seiko ,lotus,Emporio Armani. Place Henri Mengin 540Nancy Tel : 89. X'Or Geispolsheim Bijouterie : adresse, photos, retrouvez les coordonnées et informations sur le professionnel. Bijouterie X'Or Vénissieux Bijouterie : adresse, photos, retrouvez les coordonnées et informations sur le professionnel. Bijouterie X...

Classement groupe b

Image
Le calendrier et les résultats de Euro 20triés par dates, groupes ou pays, selon votre choix. Le premier de chacun des neuf groupes est qualifié pour la phase finale. Résultats et classements du groupe B de l'Euro 20de football en France. Classement général mais aussi possibilité de trier suivant différents critères. Match en direct et Kakkonen - Groupe B 20live. Classement Kakkonen - Groupe B 20en direct pour + de 1championnats. Résultats et classement du championnat championnat france amateur saison. Classement provisoire (sous réserve des procédures en cours) . GROUPE B - Dans cette poule de l'Euro 201 l'Angleterre termine deuxième derrière le. Découvrez le classement et les résultats des matchs. Groupe A; Groupe B; Groupe C; Groupe D; Groupe E; Groupe F; Groupe G; Groupe H; Groupe I . Classement, Calendrier et Foot Qualification Coupe du Monde, Monde, Groupe B saison 20: match en direct.

Hofstede cultural dimensions

Image
The model of national culture consists of six dimensions. The cultural dimensions represent independent preferences for one state of affairs over another that . The scores used for the fifth dimension are based on the research of Michael . Hofstede's cultural dimensions theory is a framework for cross-cultural communication, developed by Geert Hofstede. It describes the effects of a society's culture . Psychologist Dr Geert Hofstede published his cultural dimensions model at the end of the 1970s, based on a decade of research. National cultures can be described according to the analysis of Geert Hofstede. These ideas were first based on a large . La théorie des dimensions culturelles — Geert Hofstede. Un score faible de distance par rapport au pouvoir indique qu'une culture attend et accepte que les . Geert Hofstede and cultural-dimensions theory—an overview. Geert Hofstede is a Dutch social psychologist and anthropologist who has studied the interactions . ...

Logiciel gerber gratuit

Image
Télécharger PDFGc-Prevue : Visualisation des fichiers Gerber. Cette version gratuite du logiciel permet de contrôler vos fichiers Gerber. Gratuit : logiciel de CAO de circuits pour les clients de PCB-POOL. GRATUIT : Gerber-Viewer pour les clients PCB-POOL. FileCluster - Télécharger des logiciels gratuit. GerbView peut convertir des fichiers Gerber, HPGL et Excellon à Autodesk DXF, Adobe PDF et . Télécharger KiCad le logiciel gratuit pour circuits imprimés et consulter le tutorial. Gerbview: Visualisation des documents générés au format GERBER; Cvpcb: . Télécharger Gerber, Gerber, Gerber téléchargement gratuit, téléchargement Gerber pour télécharger le logiciel libre dans le softwaresea. Gerbv vous permet de voir, imprimer et visualiser des fichiers Gerber. Le logiciel permet d'ouvrir et de superposer de différents designs de circuits, . Gerber Technology, A Gerber Scientific Company. Net obfuscator est un outil de protection du , Net code source. Destinée princip...

Emplacement relais clim picasso

Image
Bonjour, je poste ce sujet suite à un petit soucis avec la climatisation du Xsara Picasso de 2001( HDi) de mon beau-père. Xsara Picasso Pulseur en panne et fusible Fn'est. Problème ventilation lié au neiman, xsara picasso. Images correspondant à emplacement relais clim picassoPlus d'images pour emplacement relais clim picassoSignaler des images inappropriéesMerci de vos commentaires et suggestions. Signaler une autre imageVous avez trouvé des images choquantes. REPARATION RELAIS CLIMATISATION SUR LE B. Climatisation CPicasso: Recherche relais d. Problème Pas de froid clim xsara picasso16 messagesjanv. PROBLEM CLIM XSARA PICASSO - Citroen - Picasso - Diesel - Auto. Pas de climatisation sur Xsara Picasso - Citroen - Picasso. Probleme Ventilation Et Climatisation Xsara Picasso - Citroen. BSI, mais le relais de clim à l'air nikel donc ma. Bonjour, J'ai des soucis avec ma clim, elle fonctionne mal. Boîtiers de Servitude Intelligent BSI défectueux ou défau...

Reparation bsi 406

Image
REPARATION RELAIS CLIMATISATION SUR LE B. Et si on débranche ce BSI (pour le réparer), lors du re-branchement, faut-il. Vente, Echange Standar Reparation de Calculateur Auto Habitacle BSI UCH,. Peugeot 22434Partner, Citroen Picasso CCCXsara . La climatisation ne se met plus en route. Le compresseur de climatisation ne colle pas. Réparation de calculateurs habitacle, calculateurs ABS, réparation BSI et Uch, Erepar. Chez PMJ-R, nous nous occupons de la réparation UCH BSI CPH et re-codons votre. Nous intervenons dans les domaines suivants : réparation du connecteur. La réparation du module coûte 90€ hors frais de port. Relais pour réparation boitier BSI Peugeot 406. Vous avez un problème de compresseur de climatisation sur votre Peugeot 40 voici la solution! How to Remove the BSI on a Peugeot 4BSI stands for Body. How to de-solder and repair broken Bosch. Comme vous le savez en cas de défaillance de BSI vous devrez en.

Ventilateur frigo samsung

Image
Mon frigo américain de marque SAMSUNG fait depuis une semaine. Comment trouver la panne de mon frigo américain. Le ventilateur de mon frigo ne fonctionne pas2 messagesaoût 2015Pourquoi mon frigo américain givre ? Comment réparer le réfrigérateur de mon frigo. Bonjour, Pendant quelques jours, la ventilation de mon réfrigérateur Samsung a produit un fort bruit (comme si le ventilateur touchait quelque pb ventilateur partie réfrigérente frigo américain10 messagesnov. 2012Réfrigérateur Samsung RS56XDJNS : ventilateur8 messagesfévr. 2010Frigo Américain Samsung (ventilateur)10 messagesmars 2007Refrigerateur Americain Samsung7 messagesfévr. Ajouté par Eric BlancFrigo Samsung ventilateur bruyant. RSHSamsung Fridge Freezer problem, fridge defrost sensor. Bonjour, Problème similaire avec mon frigo samsung RSHDEIS1. Liste des pièces détachées du produit RS56XDJNS de la . WebDésignationPrix TTC0110839EVAPORATEUR FROID130. RE016178318JOINT FROID PORTE RÉFRIGÉRATEUR105. Si le ventil...

Fiche banane boulanger

Image
Découvrez l'offre Connectique audio - vidéo Real Cable FICHE BANANE avec Boulanger. Découvrez notre sélection de Connectique audio - vidéo avec Boulanger. Ce sont des fiches banane avec un trou sur le coté et une olivette dedans. PHONO Fiches Banane BFA Plaqué Or Ø 5mm (Set x4). Salut, Je me pose des questions sur l'utilisation de fiches banane pour raccorder mon ampli à mes enceintes. La fiche banane a pour utilité de faciliter la connexion et la déconnexion des câbles de modulation aux borniers des enceintes ou à ceux des . Large choix de câbles pour enceintes NorStone et QE de fiches bananes Connect Research, NorStone et Oehlbach et même répartiteur d'enceintes. Fiche banane sur Twenga: Large choix de produits à découvrir parmi plus de marchands. Cette vidéo présente pas à pas les différentes étapes pour monter les fiches bananes NorStone sur du câble. Notre Boulangerie pâtisserie vous proposes : macarons, pâtes de fruits, chocolats. Adaptateur fiche RCA ...

Rb58 resistance

Image
Résistance bobinée vitrifiée watts de type RB- Puissance dissipée watts à 25°C ( maxi watts ) - Tolérance : de à oh en dessus d' ohm . Résistance 11W : Atlantique Composants, vente de Résistance 11W pour le. En commandant Résistance bobinée 3kΩ, ±, 11W, Dimensions 9. OHM 11W RBRESISTANCE BOBINEE VITRIFIEE AXIALE 11W RB8X45. OHM 11W RBRESISTANCE BOBINEE VITRIFIEE AXIALE RB11W 8X45. Il se peut que la livraison ne soit pas offerte vers États-Unis - Consultez la description de l'objet ou contactez le vendeur pour en savoir plus sur les options de . Endurance; Dissipation élevée; Robustesse mécanique. Caractéristiques générales: Mandrin : céramique,; Bobinage : alliage NiCr, . Vente Résistance, Bobinée vitrifiée 11W - RB5 Bobinée vitrifiée 11W - De 1R0. Résistance bobinée vitrifiée RB- 6Ohms Watts. Les produits Electronique Composant passif Résistance Résistance bobinée vitrifiée RB58 . The value is measured at mm from the resistor body. Résistance bobinée vitrifié...

Ampoule frigo whirlpool cosse

Image
Cherchant ce modèle d'ampoule depuis longtemps (qu'aucun magasin d'électro-ménager n'à en stock !) , ce modèle correspond parfaitement pour les . Whirlpool Ampoule Ronde 40W E(ES) - Appareils Ménagers. Il y a 4 jours - Ampoule de réfrigérateur Whirlpool sur Twenga: Comparez les meilleurs. COSSES REFRIGERATEUR US T-CLICK WHIRLPOOL 40W 864. AMPOULE COSSES REFRIGERATEUR AMERICAIN T-CLICK WHIRLPOOL 40W. Appareil(s) compatible(s); Description technique; Info livraison; Paiement sécurisé. LAMPE REFRIGERATEUR 40W A COSSES T CLICK WHIRLPOOL. Ajouter au panier le produit Ampoule Whirlpool LAMPE DE FOUR T40W E300° . Choisissez entre toutes nos ampoules de marques : Bosch, Whirlpool, etc. Découvrez l'offre Ampoule - Éclairage Essentielb Ampoule refrigérateur 220V 15W Eavec Boulanger. Découvrez nos réductions sur l'offre Ampoule frigo sur Cdiscount. APPAREIL FROID LAMPE TCLICK 40W POUR REFRIGERATEUR WHIRLPOOL 484.

Resistance electrique pdf

Image
Objectifs du COURS : Ce cours traitera essentiellement les points suivants : - symboles et . Contrôle de l'isolement par rapport à la masse. Le fil de fer conduit moins bien le courant électrique que le fil de cuivre. La résistance électrique est la propriété des conducteurs électriques de s'opposer au . Quel est le paramètre qui permet de mesurer la qualité de conduction ? L'ajout d'une résistance en série dans un circuit permet de limiter l'intensité du courant. Les résistances transforment l'énergie électrique reçue en chaleur. La résistance électrique (autrefois appelée résistor ) est un dipôle récepteur non. La résistance électrique (symbole de la grandeur : R) se mesure en ohm . Influence d'une résistance sur le comportement d'un circuit série. Mesurer la résistance électrique d'un conducteur. Influence d'une résistance dans un circuit. Le symbole de la résistance est a) Influence sur l'intensité. Matériel : A prévoir...

Tubeuse electrique champ video

Image
Comment utiliser une tubeuse électrique Champ One ? Explication en vidéo sur le fonctionnement de cette. Seconde vidéo de la tubeuse à cigarette nouvelle génération Filling, pour remplir vos tubes à cigarettes en un. Tubeuse electrique Champ One, tuber vos cigarettes en un rien de temps avec cette machine à tabac electrique. Vraiment pas concluent le tabac s'engage mal dans la vis sans fin de plus les cigarettes sont bourrées par paquets de tabac et perdent parfois la partie allumė . Démonstration vidéo de la tubeuse rouleuse pour cigarette en vente sur. Confectionnez le plus facilement vos cigarettes avec cette machine à tuber électrique. A vous les économies sans perte de temps. Découvrez l'offre TUBEUSE ELECTRIQUE CHAMP NOIR pas cher sur Cdiscount. Livraison rapide et Economies garanties en machine à tuber ! Pour acheter votre Champ - Tubeuse electrique machine à rouler pas cher et au meilleur prix : Rueducommerce, c'est le spécialiste du Champ - Tubeuse ....

Usb type a

Image
Le brochage des connecteurs de type A et B est le suivant : . Signaler une autre imageVous avez trouvé des images choquantes. L'USB Type-C aura un impact significatif sur nos petites habitudes du quotidien : elle est réversible et peut transporter indifféremment des . Le connecteur USB Type-C a été dévoilé il y a un an, puis ratifié il y a six mois, mais il commence à se concrétiser ce mois-ci et devrait . See more details here on Type A plugs and receptacles, popular USB connectors in USB 3. Apple est le premier à avoir présenté un ordinateur équipé du nouveau format d'USB : l'USB Type-C. L'universalité semble être à son comble . L'USB Type-C est un connecteur, que l'on retrouve désormais sur pléthore de produits, et cela pose des soucis. USB Type C : un connecteur réversible et universel Le connecteur micro-USB de Type B se trouve sur la plupart des smartphones. On attendait une arrivée massive de l'USB type-C sur tous les nouveaux smartpho...

Cours multiplexeur

Image
Selon une adresse (n bits), la sortie prend la valeur de l'une des entrées. Ce cours traitera essentiellement les points suivants. Un multiplexeur (MUX) est généralement un organe constitué d'un ou plusieurs circuits qui reçoit N. Les multiplexeurs sont des fonctions logiques combinatoires qui permettent d'aiguiller une entrée parmi 2n vers une sortie en fonction d'entrée de sélection. Nous avons vu au cours des précédentes études diverses techniques qui . Les décodeurs et multiplexeurs sont des circuits relativement élémentaires mais très souvent utilisés. Il s'agit de deux briques de base pour la construction de . Multiplexeur démultiplexeur - cours d'électronique. Exercices de logique combinatoire : Multiplexeur Démultiplexeur. Soit le circuit logique suivant : Eet Esont des entrées de données. Mux : Mettre en relation une entrée parmi n avec la sortie. On considère un multiplexeur à entrées de données di=0. Si on a d0d1d2d3d4d5d6d= 010011en e...

Chaudiere franco belge sunagaz 3000

Image
Je suis à la recherche de la notice de la chaudière Franco Belge Sunagaz 300 je viens d'acheter la maison et il n'y a pas la notice . Thermostat programmable compatible chaudière. Bricovidéo Forum Chauffage : Avis sur panne. Forum chauffage : Dépannage chaudière Franco. Coupe schématique de la chaudière (fig.). Accueil Notices pour chaudières FRANCO BELGE Chaudière gaz au sol. Pièces détachées Chaudière Franco Belge SUNAGAZ GXE 30E - Pièces détachées de chauffage pour. Boitier allumage rv sunagaz 3000e, 203132. Mon immeuble est chauffé en ECS + chauffage avec une chaudière Sunagaz 3000. Problème chaudière Franco Belge Sunagaz GXE-V 27. Prob chauffage chaudiere franco belge sunagaz 30002 messagesfévr. Images correspondant à chaudiere franco belge sunagaz 3000Plus d'images pour chaudiere franco belge sunagaz 3000Signaler des images inappropriéesMerci de vos commentaires et suggestions. Signaler une autre imageVous avez trouvé des images choquantes. Les noti...

Probleme ventilation chauffage golf 5

Image
BONJOUR JAI UNE GOLF DE 105CH , voila Jai un problème de ventilation de chauffage intérieur es ce que klk peut m'aider sur se problème . Panne Golf ventilation, essuie glace arriere et lave. Probleme Ventilation Golf - Volkswagen. Problème de climatisation sur Golf (Climatronic)févr. Air chaud coté passager et froid coté conducteur et au. Ventilateur moteur ne tourne plus15 messagesavr. Images correspondant à probleme ventilation chauffage golf 5Plus d'images pour probleme ventilation chauffage golf 5Signaler des images inappropriéesMerci de vos commentaires et suggestions. Signaler une autre imageVous avez trouvé des images choquantes. Depuis jours, plus de ventilation d'habitacle du tout, pas de souffle sur. Il est vrai que mon probleme est pas d'air frontal mais OK au pied. En dessous du pulseur, il y a une trappe (référence n°5) avec vis à. Je possede une golf de 20et du jour au lendemain la ventilation de l'habitacle ne fonctionne plus, tout fo...

Radiateur electrique atlantic 1500w

Image
Toute la gamme de radiateurs électriques Atlantic pour une température homogène dans toute la pièce, une chaleur enveloppante et une sensation de . Nirvana Digital : radiateur chaleur douce, montée rapide en température, jusque d'économies. Pour votre chauffage électrique, découvrez les collections de radiateurs Atlantic pour répondre à toutes vos envies ! Profitez des soldes radiateur electrique atlantic 1500w pas cher et au meilleur prix chez RueDuCommerce avec du choix, le service et la livraison. Convecteur électrique - ATLANTIC - F117T 1500W - Fil pilote Ordres - achat radiateur. Convecteur électrique - ATLANTIC - FMultiforme 1500W - Moyen. Radiateur électrique Atlantic pas cher : comparez les prix de centaines de marchands. Panneau rayonnant Atlantic 6109Solius Eco-Domo vertical 1500W . Découvrez nos réductions sur l'offre Radiateur atlantic 1500w sur Cdiscount. RADIATEUR - PANNEAU CARRERA Luce 15Watts Radiateur électrique à . DOMOTELEC: jusqu'à de rem...

Comment tester sonde ctn

Image
Bonjour, Je voudrait simplement savoir comment savoir si une NTC est. Pour tester mesures R à 20°C puis chauffe la un peu R doit chuter et . Sondes et thermostats sont, pour la plupart du temps, en contact direct avec. Affichage d'un code panne (Uniquement CTN et CTP, modèles éléctronique): Vérifier leur résistance et . Dans cette vidéo, nous vous expliquons comment tester la sonde de la résistance de votre machine à laver. Comment tester une sonde Lambda (o2) avec un multimètre. Après la lecture de cet article, la sonde de température d'un lave-linge n'aura plus aucun secret pour vous et vous saurez comment la tester. Vérification de la sonde de tempétature moteur dite CTN Rappel : La sonde de. Il se pourrait bien que la sonde de chauffage de votre four soit en cause. Voici les différentes étapes à suivre pour la tester et vérifier si vous devez la changer. Le test d'une sonde de température se fait au multimètre avec un. Autres appellations ; capteur, ...